KOSTEL A PASTORAČNÍ CENTRUM NEJSVĚTĚJŠÍ TROJICE A JOSEFA KARDINÁLA BERANA

2019 DÚR

Architektonický návrh: Fránek Architects s.r.o

Předmětem stavby jsou dva nové objekty kostela a fary v obci Libiš u Neratovic, dle návrhové studie ateliéru Fránek architekti s.r.o. Kostel bude sloužit především nejen jako nové místo pro věřící v obci a okolí, ale i jako prostor setkávání věřících a občanů Libiše v pastoračním centru s klubovnami pro volnočasové aktivity a velkým společenským sálem v nejnižším podlaží pro pořádání větších akcí. Přilehlý moderní objekt fary bude sloužit k ubytování faráře.

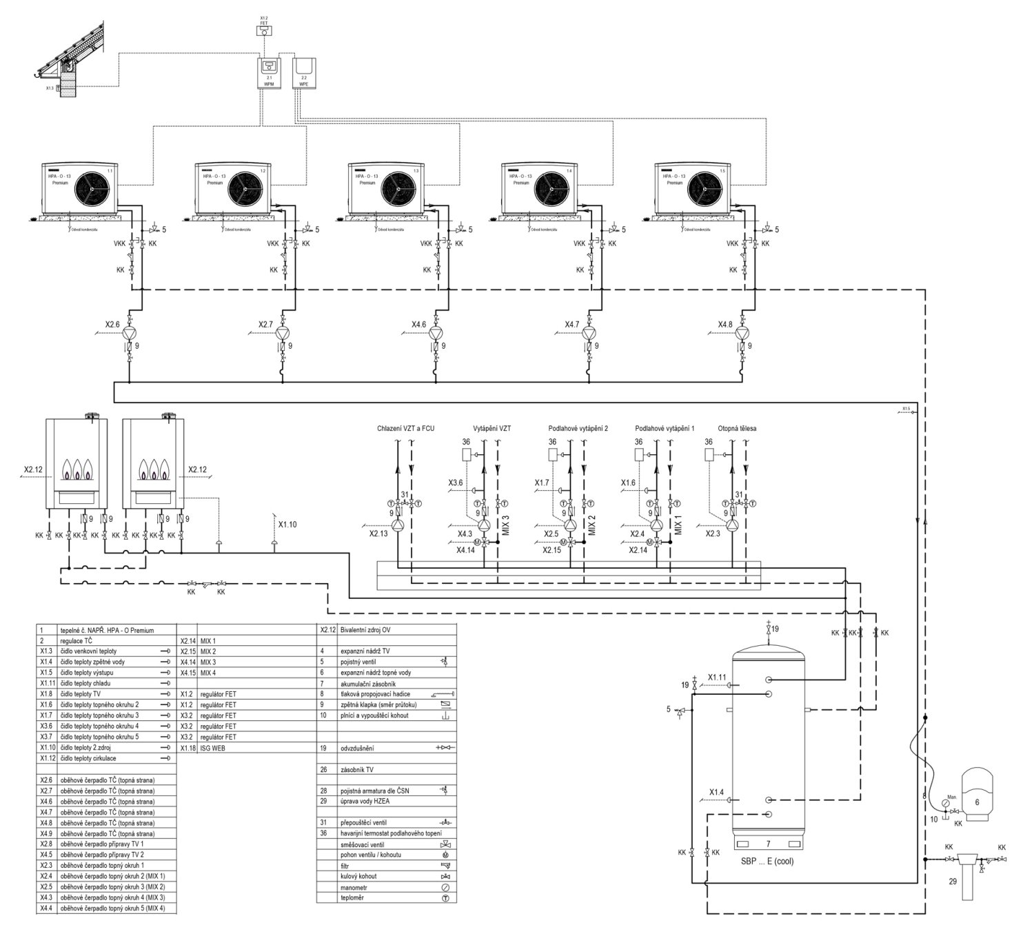
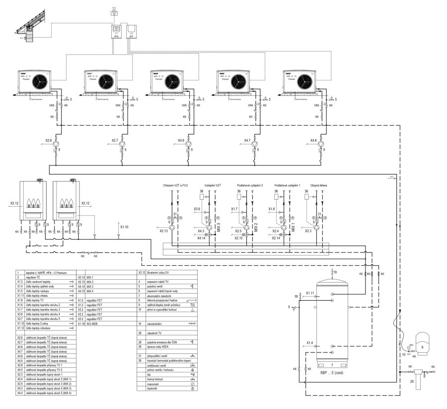
Naše kancelář Růžička a partneři s.r.o. zajišťovala technickou koordinaci projektu, spolupráci, dokumentaci pro územní řízení a stavební řízení všech profesí TZB (inženýrské sítě a přeložky, areálová a vnitřní kanalizace, vodovod, plynovod, vytápění, zdroje tepla a chladu, vzduchotechnika a rozvody chlazení, silnoproud, slaboproud). Složitý systém zpětného využití a likvidace dešťových vod v místě bývalého mokřadu byl součástí terénních zahradních úprav celého pozemku.

KLIENT


Římskokatolická farnost Neratovice

ZPRACOVATEL SPOLEČNÉ DOKUMENTACE, ARCHITEKTONICKÝ NÁVRH


Fránek Architects s.r.o., prof. Ing. arch. Zdeněk Fránek

SPOLUPRÁCE


vzduchotechnika a chlazení: DEKPROJEKT s.r.o., Ing. Radek Dědina
silnoproudé a slaboproudé elektroinstalace, veřejné osvětlení: Ing. Jaroslav Altera