VSTUPNÍ AREÁL BOTANICKÉ ZAHRADY

2021 DÚR

ARCHITEKTONICKÝ NÁVRH: Fránek Architects s.r.o

Předmětem projektu je návrh hlavního vstupu severního areálu Botanické zahrady hlavního města Prahy. Účel stavby bude administrativní, kulturní a společenský s prodejní částí a na ni navazující infrastrukturou. Součástí objektu bude i velký subtropický skleník, menší skleník s vlhčím klimatem a oranžérie sloužící k přezimování rostlin v zimním období a k výstavním účelům v letním období.
Objekt je navržen pro město Prahu a vychází z pražských inspirací. Návrh je jednoduchý, nakreslený jednou čárou. Tato čára by měla být zapamatovatelná a měla by navždy Botanickou zahradu charakterizovat. Architekti navrhli zážitkový dům, který bude vybízet k opakovaným návštěvám. Objekt je řešen jako úsporný, jak svým provedením, tak i ve svém provozu. Dominovat v něm a jeho okolí budou hlavně rostliny.
Rozsah řešeného území je dán převážně plochou pozemků parc. č. 1213/1 a 1214/1 a menších k nim přiléhajících, které jsou v majetku hl. m. Prahy a investorovi jsou poskytnuty k hospodaření. Z hlediska zastavěnosti se jedná o pozemky v zastavěném území hl. m. Prahy. Jedná se o pozemky mírně svažité jižním směrem, převážně zatravněné s několika vzrostlými stromy. V severní části řešeného území se nachází stávající parkoviště se severním vstupem do Botanické zahrady. Zbývající část pozemků je částečně zatravněná, s několika vzrostlými stromy a slouží k uskladnění kameniva, bioodpadu (komposty) a hlíny (hliniště).

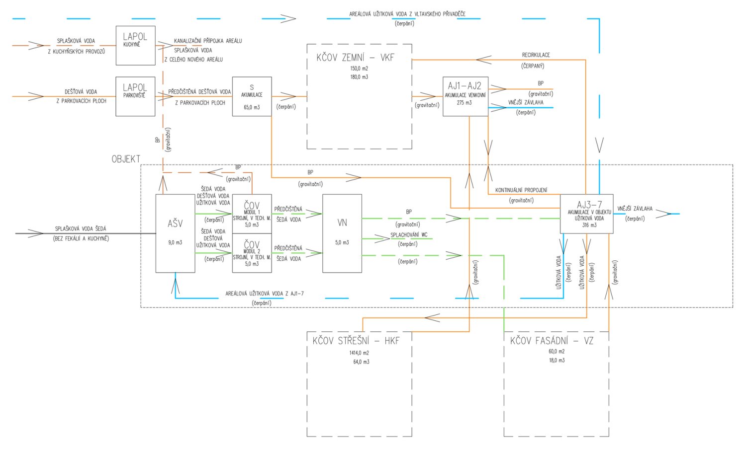
Naše kancelář Růžička a partneři s.r.o. zpracovává se svými subdodavateli technickou část vstupního areálu: napojení na veřejné inženýrské sítě, rozvody areálových inženýrských sítí (vč. přeložek) a vnitřní technické zařízení budovy. Objekt bude vytápěn a chlazen vzduchovými tepelnými čerpadly, záložním zdrojem pro vytápění skleníků bude plynová kotelna zásobovaná plynem z nového STL plynovodu. Dešťové odpadní vody nebudou vypouštěny do veřejné kanalizace, ale budou akumulovány a plně využity pro zásobování užitkovou vodou objektu, areálu a pouze nouzově vypouštěny do povrchových vsakovacích objektů (průlehů). Splaškové odpadní vody budou též částečně („šedé“ vody) využívány po přečištění zpětně v objektu. Pro čištění odpadních vod bude v objektu a na přilehlém pozemku zbudován systém kořenové čistírny sestávající z fasádní, střešní a zemní části. Využívána bude též užitková voda vyráběná z vltavské vody přivedené do jižní části areálu Botanické zahrady.

ARCHITEKTONICKÝ NÁVRH


Fránek Architects, s. r. o.

HIP A STAVEBNÍ ČÁST


Ing. Jiří Železný

INŽENÝRING


Ing. Simona Blochová

SPOLUPRÁCE


dopravní řešení: Ateliér LUCIDA, s. r. o., Ing. Josef Stanko
vzduchotechnika: DEKPROJEKT, s. r. o., Ing. Radek Dědina
silnoproudé a slaboproudé přípojky a areálové vedení, vč. přeložek kabelů, trafostanice, dieselagregát: Draconis, s. r. o., Miroslav Hříbal a Ing. Nicol Agnerová
retenční nádrže a čištění odpadních vod: Dekonta, a. s., Ing. Jaroslav Kršňák a Ing. Tereza Hnátková, Ph. D.
dendrologický průzkum: Lukal Services, s. r. o., Ing. Miroslav Kučera
EIA: Rustical B, Ing. Pavel Beran, Ph. D.
biologický průzkum: Mgr. Pavel Bauer
radonový průzkum: RADON, v. o. s. Ing. Matěj Neznal
geologie a hydrogeologie a vliv na podloží přírodní památky Havránka: AGROGEOLOGIE, s. r. o., RNDr. Tomáš Vrana
hluková studie: Ing. Jana Barillová
rozptylová studie: RNDr. Marcela Zambojová